Tod from the U.K. said:
I have noticed that my dimmer anodizer won’t go below about 35v, even if I go above then come down. Would a different wattage bulb help do you think? Or is it down to the dimmer?
My discussion and solution:
I used to have trouble getting the dimmer to work below about 15 volts, coming from 110vac. So trouble below 35v at 220 vac seems about right. And most of the world has 220 instead of 110 vac.
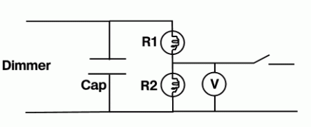
One solution may be to modify the original circuit (discussed here) with a voltage divider: Put the two light bulbs across the capacitor with a tap for the output voltage in between to get at lower voltages more easily.
The output voltage will then be Cap Voltage x R2/(R1 + R2).
But bulb wattage is counter intuitive here:
- Power (watts) is proportional to the inverse of the resistance.
- Also, the actual bulb resistance depends on the brightness of the bulbs. But we can pretty much ignore this because we are measuring only the output voltage.
So using P for the wattage (rated bulb power) the good-enough formula is
V= Vcap x P1/(P1 + P2)
Simply, if R1=R2, then P1 = P2 and it comes out half.
But to get even lower voltages, try 100 watt R1 and 200w R2 to get V = Vcap x 100/(100 + 200) = 1/3 x Vcap
Play with the ratios until you get the range and stability you want.And note that the output resistor is still there between the cap and the electrodes; we just moved it to the other side of the original dimmer load bulb to put it in series.
Thus the smaller the R1 wattage is, the slower the anodizer will work.And remember that this only works for filament or halogen bulbs, not CF nor LED bulbs.

Posted by Dan Klarmann